网站首页 关于我们 新闻动态 产品展示 荣誉资质 视频中心 企业一览 在线留言 销售网络 联系我们
 
产品分类
RJA整体直式微型电液推杆
RJB型平行式电液推杆
RJA(B)、RJB(B)型系列电液推杆
电液动蝶阀
电液动闸阀
浆液阀
百叶圆式窗式阀
泄压阀
防爆阀
电液动锥形双层卸灰阀
电液动金属硬密封卸灰阀
星形卸灰阀
电液动矩形单叶片通风蝶阀
启闭机
碎渣机
自控除尘卸料装置(卸料车)
称量漏斗
露天胶带机脱排水装置
全自动液压调正装置
缓冲锁气漏斗系列
胶带自控液压拉紧装置
电液动平板闸门
电液动腭式闸门
电液动扇形闸门
电液动回转器(转角器)
液压站
电液动三通分料器
电液动犁式卸料器
RJD型分离式电液推杆
超大型电液推杆
电液动球阀
棒条阀
剪板机摆剪后挡料
剪板机闸剪后挡料
折弯机挂工作台后挡料
折弯机挂墙板后挡料
电动推杆

扬州市瑞友机械有限公司
地      址:扬州市高邮市汤庄镇甸垛工业集中区
联  系  人: 唐先生  13805257286
                 叶先生  18936467588
联系电话:0514-84743556
技术支持:0514-84742553
传      真:0514-84746588
邮      箱:947223050@qq.com
Q       Q: 947223050
邮      编:225655

产品展示
您当前位置:首页 > 产品展示
防爆阀

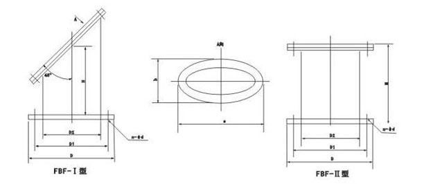
FBV-F(Y)型防爆阀

 用 途

  该阀适用于建材、冶金、化工、电力等部门中,作为压缩易爆气体管道的卸压装置。

 特点

   该阀为钢制焊接结构、结构简单、重量轻、性能可靠。

 工作原理

   该阀由阀体、爆破片、压盖等组成,当系统压力大于0.1MPa压力时,爆破片自行破裂,防止系统发生爆炸。

 型号编制说明

主要性能参数

适用介质
压缩易爆气体
工作温度(℃)
≤300
使用压力(MPa)
0.1

外形连接安装尺寸

版权所有:扬州市瑞友机械有限公司 ICP备案序号:苏ICP备20042052号  技术支持:兴化信网